Leading CAD Outsourcing Company offers solutions of Engineering CAD Services, Design Drafting & 3D Modeling
←  Back to Mechanical Drafting & Modeling Case Studies

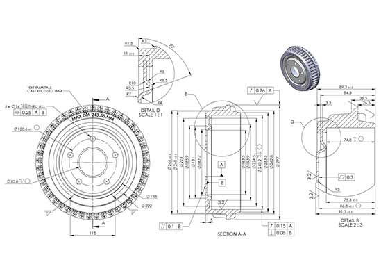
3D Models with Detailed Engineering for Casting Components, USA

CAD 3D Modeling & Detailed Engineering of Casting Component Manufacturer, USA

Client Profile: Casting Component Manufacturer
Industry: Heavy Engineering
Inputs: 2D drawings in PDF and sketches
Deliverables: 3D CAD models with detailed engineering information
Detailed engineering casting component

Project Samples

Detail Manufacturing Drawings for Casting Components Detail Manufacturing Drawings for Casting Components
Detailed Engineering Drawings and 3D Modeling for Components Detailed Engineering Drawings and 3D Modeling for Components
Casting Component 3D CAD Model Casting Component 3D CAD Model

Related Case Studies

Need help on an ongoing basis?

We establish long term business relationships with clients and are committed to total customer satisfaction.